Three Way Manifold Direct Mount Type

in stock

Feature

  • Available in Material SS316, NACE certified on request
  • Material Traceable to certified material test report
  • Design to 4:1 safety factor
  • Low operating torques
  • Anti Blow-out stem, non-rotating self centering stem tips.
  • PTFE packing standard, Graphite packing for high temperature and to meet fire testing to API 607
  • Convenient method of blocking, bleeding and calibrating pressure instruments.
  • Designed for connection system impulse line & transfer
  • Combine the function of a tee, calibration valve, isolation valve, all tubing and fittings in a single valve configuration.
  • Standard port sizes up to 1/2” NPT/BSPP/BSP

Operating Parameters

Pressure Rating : up to 6000 psig (408 bar) at CWP
Temperature Rating : -54ºC to 232ºC with PTFE packing
Up to 426ºC with optional graphite packing

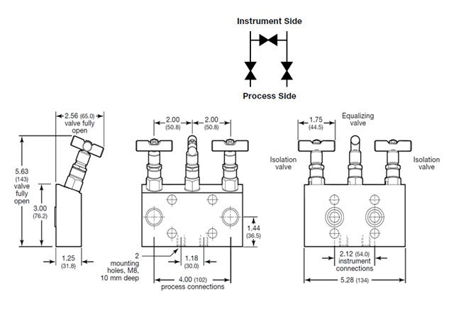
Outer Dimensions

three way manifold direct mount valve exporter

Application

  • Chemicals industry
  • Fats and fertilizer industry
  • Construction industry